| select | Inquiry | 轴承型号 | 尺寸(mm) | 基本额定载荷(KN) | Pu | 极限速度(rpm) | 重量(Kg) | ISO335 | 尺寸(mm) | 安装尺寸(mm) | 参数 |
|---|
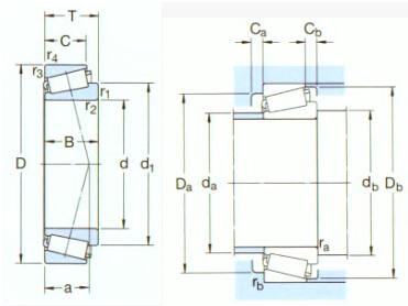
| d1 | D | B | Cr | Cor | 速度等级 | 极限速度 | 尺寸 (ABMA) | d | d1~ | B | C | r1,2(min) | r3,4(min) | a | da(max) | db(min) | Da(min) | Da(max) | Db(min) | Ca(min) | Cb(min) | ra(max) | rb(max) | e | Y | Yo |
|
|
30203J2 |
17 |
40 |
13,25 |
19 |
18,6 |
1,83 |
13000 |
18000 |
0,075 |
2DB |
17 |
28 |
12 |
11 |
1 |
1 |
10 |
23 |
23 |
34 |
34 |
37 |
2 |
2 |
1 |
1 |
0,35 |
1,7 |
0,9 |
|
|
30204J2/Q |
20 |
47 |
15,25 |
32 |
28 |
3 |
12000 |
15000 |
0,12 |
2DB |
20 |
33,2 |
14 |
12 |
1 |
1 |
11 |
27 |
26 |
40 |
41 |
43 |
2 |
3 |
1 |
1 |
0,35 |
1,7 |
0,9 |
|
|
30205J2/Q |
25 |
52 |
16,25 |
35,5 |
33,5 |
3,45 |
11000 |
13000 |
0,15 |
3CC |
25 |
37,4 |
15 |
13 |
1 |
1 |
12 |
31 |
31 |
44 |
46 |
48 |
2 |
3 |
1 |
1 |
0,37 |
1,6 |
0,9 |
|
|
302/28J2 |
28 |
58 |
17,25 |
38 |
41,5 |
4,4 |
9000 |
12000 |
0,25 |
- |
28 |
41,8 |
16 |
14 |
1 |
1 |
13 |
35 |
34 |
50 |
52 |
54 |
2 |
3 |
1 |
1 |
0,37 |
1,6 |
0,9 |
|
|
30206J2/Q |
30 |
62 |
17,25 |
46,5 |
44 |
4,8 |
9000 |
11000 |
0,23 |
3DB |
30 |
44,6 |
16 |
14 |
1 |
1 |
14 |
38 |
36 |
53 |
56 |
57 |
2 |
3 |
1 |
1 |
0,37 |
1,6 |
0,9 |
|
|
30207J2/Q |
35 |
72 |
18,25 |
58,5 |
56 |
6,1 |
8000 |
9500 |
0,32 |
3DB |
35 |
51,8 |
17 |
15 |
1,5 |
1,5 |
15 |
44 |
42 |
62 |
65 |
67 |
3 |
3 |
1,5 |
1,5 |
0,37 |
1,6 |
0,9 |
|
|
30208J2/Q |
40 |
80 |
19,75 |
71 |
68 |
7,65 |
7000 |
8500 |
0,42 |
3DB |
40 |
57,5 |
18 |
16 |
1,5 |
1,5 |
16 |
49 |
47 |
69 |
73 |
74 |
3 |
3,5 |
1,5 |
1,5 |
0,37 |
1,6 |
0,9 |
|
|
30209J2/Q |
45 |
85 |
20,75 |
76,5 |
76,5 |
8,65 |
6300 |
8000 |
0,48 |
3DB |
45 |
63 |
19 |
16 |
1,5 |
1,5 |
18 |
54 |
52 |
74 |
78 |
80 |
3 |
4,5 |
1,5 |
1,5 |
0,4 |
1,5 |
0,8 |
|
|
30210J2/Q |
50 |
90 |
21,75 |
86,5 |
91,5 |
10,4 |
6000 |
7500 |
0,54 |
3DB |
50 |
67,9 |
20 |
17 |
1,5 |
1,5 |
19 |
58 |
57 |
79 |
83 |
85 |
3 |
4,5 |
1,5 |
1,5 |
0,43 |
1,4 |
0,8 |
|
|
30211J2/Q |
55 |
100 |
22,75 |
104 |
106 |
12 |
5300 |
6700 |
0,70 |
3DB |
55 |
74,6 |
21 |
18 |
2 |
1,5 |
20 |
64 |
64 |
88 |
93 |
94 |
4 |
4,5 |
2 |
1,5 |
0,4 |
1,5 |
0,8 |
|
|
30212J2/Q |
60 |
110 |
23,75 |
112 |
114 |
13,2 |
5000 |
6000 |
0,88 |
3EB |
60 |
81,5 |
22 |
19 |
2 |
1,5 |
22 |
70 |
68 |
96 |
103 |
103 |
4 |
4,5 |
2 |
1,5 |
0,4 |
1,5 |
0,8 |
|
|
30213J2/Q |
65 |
120 |
24,75 |
132 |
134 |
16,3 |
4500 |
5600 |
1,15 |
3EB |
65 |
89 |
23 |
20 |
2 |
1,5 |
23 |
78 |
74 |
106 |
113 |
113 |
4 |
4,5 |
2 |
1,5 |
0,4 |
1,5 |
0,8 |
|
|
30214J2/Q |
70 |
125 |
26,25 |
125 |
156 |
18 |
4000 |
5300 |
1,25 |
3EB |
70 |
93,9 |
24 |
21 |
2 |
1,5 |
25 |
82 |
78 |
110 |
115 |
118 |
4 |
5 |
2 |
1,5 |
0,43 |
1,4 |
0,8 |
|
|
30215J2/Q |
75 |
130 |
27,25 |
140 |
176 |
20,4 |
3800 |
5000 |
1,40 |
4DB |
75 |
99,2 |
25 |
22 |
2 |
1,5 |
27 |
86 |
84 |
115 |
122 |
124 |
4 |
5 |
2 |
1,5 |
0,43 |
1,4 |
0,8 |
|
|
30216J2/Q |
80 |
140 |
28,25 |
151 |
183 |
21,2 |
3400 |
4800 |
1,60 |
3EB |
80 |
105 |
26 |
22 |
2,5 |
2 |
28 |
92 |
90 |
124 |
130 |
132 |
4 |
6 |
2 |
2 |
0,43 |
1,4 |
0,8 |
|
|
30217J2/Q |
85 |
150 |
30,5 |
176 |
220 |
25,5 |
3200 |
4300 |
2,05 |
3EB |
85 |
112 |
28 |
24 |
2,5 |
2 |
30 |
97 |
95 |
132 |
140 |
141 |
5 |
6,5 |
2 |
2 |
0,43 |
1,4 |
0,8 |
|
|
30218J2 |
90 |
160 |
32,5 |
194 |
245 |
28,5 |
3000 |
4000 |
2,55 |
3FB |
90 |
118 |
30 |
26 |
2,5 |
2 |
31 |
104 |
101 |
140 |
150 |
150 |
5 |
6,5 |
2 |
2 |
0,43 |
1,4 |
0,8 |
|
|
30219J2 |
95 |
170 |
34,5 |
216 |
275 |
31,5 |
2800 |
3800 |
3,00 |
3FB |
95 |
126 |
32 |
27 |
3 |
2,5 |
33 |
110 |
107 |
149 |
158 |
159 |
5 |
7,5 |
2,5 |
2 |
0,43 |
1,4 |
0,8 |
|
|
33020/Q |
100 |
150 |
39 |
224 |
390 |
41,5 |
3000 |
4000 |
2,40 |
2CE |
100 |
122 |
39 |
32,5 |
2 |
1,5 |
29 |
109 |
108 |
135 |
142 |
143 |
7 |
6,5 |
2 |
1,5 |
0,3 |
2 |
1,1 |
|
|
30220J2 |
100 |
180 |
37 |
246 |
320 |
36 |
2800 |
3600 |
3,65 |
3FB |
100 |
133 |
34 |
29 |
3 |
2,5 |
35 |
116 |
112 |
157 |
168 |
168 |
5 |
8 |
2,5 |
2 |
0,43 |
1,4 |
0,8 |
|
|
33021/Q |
105 |
160 |
43 |
246 |
430 |
45,5 |
2800 |
3800 |
3,05 |
2DE |
105 |
131 |
43 |
34 |
2,5 |
2 |
31 |
117 |
116 |
145 |
150 |
153 |
7 |
9 |
2 |
2 |
0,28 |
2,1 |
1,1 |
|
|
30221J2 |
105 |
190 |
39 |
270 |
355 |
40 |
2600 |
3400 |
4,25 |
3FB |
105 |
141 |
36 |
30 |
3 |
2,5 |
37 |
123 |
117 |
165 |
178 |
177 |
6 |
9 |
2,5 |
2 |
0,43 |
1,4 |
0,8 |
|
|
33022 |
110 |
170 |
47 |
281 |
500 |
53 |
2600 |
3600 |
3,85 |
2DE |
110 |
139 |
47 |
37 |
2,5 |
2 |
34 |
123 |
121 |
152 |
160 |
161 |
7 |
10 |
2 |
2 |
0,28 |
2,1 |
1,1 |
|
|
30222J2 |
110 |
200 |
41 |
308 |
405 |
45 |
2400 |
3200 |
5,10 |
3FB |
110 |
148 |
38 |
32 |
3 |
2,5 |
39 |
129 |
122 |
174 |
188 |
187 |
6 |
9 |
2,5 |
2 |
0,43 |
1,4 |
0,8 |
|
|
33024 |
120 |
180 |
48 |
292 |
540 |
56 |
2600 |
3400 |
4,20 |
2DE |
120 |
149 |
48 |
38 |
2,5 |
2 |
36 |
132 |
131 |
160 |
170 |
171 |
6 |
10 |
2 |
2 |
0,3 |
2 |
1,1 |
|
|
30224J2 |
120 |
215 |
43,5 |
341 |
465 |
49 |
2200 |
3000 |
6,15 |
4FB |
120 |
161 |
40 |
34 |
3 |
2,5 |
43 |
141 |
132 |
187 |
203 |
201 |
6 |
9,5 |
2,5 |
2 |
0,43 |
1,4 |
0,8 |
|
|
30226J2 |
130 |
230 |
43,75 |
369 |
490 |
53 |
2000 |
2800 |
7,60 |
4FB |
130 |
173 |
40 |
34 |
4 |
3 |
45 |
152 |
146 |
203 |
216 |
217 |
7 |
9,5 |
3 |
2,5 |
0,43 |
1,4 |
0,8 |
|
|
30228J2 |
140 |
250 |
45,75 |
418 |
570 |
58,5 |
1900 |
2600 |
8,65 |
4FB |
140 |
186 |
42 |
36 |
4 |
3 |
47 |
164 |
156 |
219 |
236 |
234 |
7 |
9,5 |
3 |
2,5 |
0,43 |
1,4 |
0,8 |
|
|
30230 |
150 |
270 |
49 |
429 |
560 |
57 |
1800 |
2400 |
11,0 |
4GB |
150 |
200 |
45 |
38 |
4 |
3 |
50 |
175 |
166 |
234 |
256 |
250 |
9 |
11 |
3 |
2,5 |
0,43 |
1,4 |
0,8 |
|
|
30232J2 |
160 |
290 |
52 |
528 |
735 |
72 |
1600 |
2200 |
13,0 |
4GB |
160 |
214 |
48 |
40 |
4 |
3 |
54 |
189 |
176 |
252 |
275 |
269 |
8 |
12 |
3 |
2,5 |
0,43 |
1,4 |
0,8 |
|
|