| select | Inquiry | 轴承型号 | 尺寸(mm) | 基本额定载荷(KN) | Pu | 极限速度(rpm) | 重量(Kg) | ISO335 | 尺寸(mm) | 安装尺寸(mm) | 参数 |
|---|
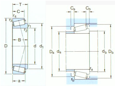
| d1 | D | B | Cr | Cor | 速度等级 | 极限速度 | 尺寸 (ABMA) | d | d1~ | B | C | r1,2(min) | r3,4(min) | a | da(max) | db(min) | Da(min) | Da(max) | Db(min) | Ca(min) | Cb(min) | ra(max) | rb(max) | e | Y | Yo |
|
|
32205BJ2/Q |
25 |
52 |
19,25 |
41,5 |
44 |
4,65 |
10000 |
13000 |
0,19 |
5CD |
25 |
40,2 |
18 |
15 |
1 |
1 |
16 |
30 |
31 |
41 |
46 |
50 |
3 |
4 |
1 |
1 |
0,57 |
1,05 |
0,6 |
|
|
322/28BJ2/Q |
28 |
58 |
20,25 |
48 |
50 |
5,5 |
9500 |
12000 |
0,25 |
5DD |
28 |
43,9 |
19 |
16 |
1 |
1 |
17 |
33 |
34 |
46 |
52 |
55 |
3 |
4 |
1 |
1 |
0,57 |
1,05 |
0,6 |
|
|
32206J2/Q |
30 |
62 |
21,25 |
58,5 |
57 |
6,3 |
9000 |
11000 |
0,28 |
3DC |
30 |
45,2 |
20 |
17 |
1 |
1 |
15 |
37 |
36 |
52 |
56 |
58 |
3 |
4 |
1 |
1 |
0,37 |
1,6 |
0,9 |
|
|
32206BJ2/QCL7CVA606 |
30 |
62 |
21,25 |
56 |
58,5 |
6,55 |
9000 |
11000 |
0,30 |
5DC |
30 |
47,3 |
20 |
17 |
1 |
1 |
18 |
36 |
36 |
50 |
56 |
60 |
3 |
4 |
1 |
1 |
0,57 |
1,05 |
0,6 |
|
|
32207J2/Q |
35 |
72 |
24,25 |
76,5 |
78 |
8,5 |
8000 |
9500 |
0,43 |
3DC |
35 |
52,4 |
23 |
19 |
1,5 |
1,5 |
17 |
43 |
42 |
61 |
65 |
67 |
3 |
5 |
1,5 |
1,5 |
0,37 |
1,6 |
0,9 |
|
|
32208J2/Q |
40 |
80 |
24,75 |
85 |
86,5 |
9,8 |
7000 |
8500 |
0,53 |
3DC |
40 |
58,4 |
23 |
19 |
1,5 |
1,5 |
19 |
49 |
47 |
68 |
73 |
75 |
3 |
5,5 |
1,5 |
1,5 |
0,37 |
1,6 |
0,9 |
|
|
32208BJ2/Q |
40 |
80 |
24,75 |
86,5 |
93 |
10,8 |
6700 |
8500 |
0,52 |
5DC |
40 |
60,9 |
23 |
19 |
1,5 |
1,5 |
22 |
49 |
47 |
65 |
73 |
76 |
4 |
5,5 |
1,5 |
1,5 |
0,54 |
1,1 |
0,6 |
|
|
32209J2/Q |
45 |
85 |
24,75 |
91,5 |
98 |
11 |
6300 |
8000 |
0,58 |
3DC |
45 |
64 |
23 |
19 |
1,5 |
1,5 |
20 |
54 |
52 |
73 |
78 |
80 |
3 |
5,5 |
1,5 |
1,5 |
0,4 |
1,5 |
0,8 |
|
|
32210/45BJ2/QVB022 |
45 |
90 |
24,75 |
95 |
104 |
12,2 |
6000 |
8000 |
0,65 |
- |
45 |
68,5 |
23 |
19 |
1,5 |
0,3 |
21 |
58 |
52 |
78 |
87 |
85 |
3 |
5,5 |
1,5 |
0,3 |
0,6 |
1 |
0,6 |
|
|
32210J2/Q |
50 |
90 |
24,75 |
95 |
100 |
11,4 |
6000 |
7500 |
0,61 |
3DC |
50 |
68,5 |
23 |
19 |
1,5 |
1,5 |
21 |
58 |
57 |
78 |
83 |
85 |
3 |
5,5 |
1,5 |
1,5 |
0,43 |
1,4 |
0,8 |
|
|
32211J2/Q |
55 |
100 |
26,75 |
106 |
129 |
15 |
5000 |
6700 |
0,83 |
3DC |
55 |
75,2 |
25 |
21 |
2 |
1,5 |
22 |
64 |
64 |
87 |
93 |
95 |
4 |
5,5 |
2 |
1,5 |
0,4 |
1,5 |
0,8 |
|
|
32212J2/Q |
60 |
110 |
29,75 |
146 |
160 |
18,6 |
5000 |
6000 |
1,15 |
3EC |
60 |
81,9 |
28 |
24 |
2 |
1,5 |
24 |
69 |
68 |
95 |
103 |
104 |
4 |
5,5 |
2 |
1,5 |
0,4 |
1,5 |
0,8 |
|
|
32212BJ2/Q |
60 |
110 |
29,75 |
140 |
156 |
19 |
4800 |
6000 |
1,15 |
- |
60 |
85,7 |
28 |
21 |
2 |
1,5 |
28 |
69 |
98 |
93 |
103 |
105 |
5 |
8,5 |
2 |
1,5 |
0,57 |
1,05 |
0,6 |
|
|
32213J2/Q |
65 |
120 |
32,75 |
151 |
193 |
22,8 |
4000 |
5600 |
1,50 |
3EC |
65 |
90,3 |
31 |
27 |
2 |
1,5 |
27 |
76 |
74 |
104 |
113 |
115 |
4 |
5,5 |
2 |
1,5 |
0,4 |
1,5 |
0,8 |
|
|
32214J2/Q |
70 |
125 |
33,25 |
157 |
208 |
24,5 |
3800 |
5300 |
1,60 |
3EC |
70 |
95 |
31 |
27 |
2 |
1,5 |
28 |
80 |
78 |
108 |
115 |
119 |
4 |
6 |
2 |
1,5 |
0,43 |
1,4 |
0,8 |
|
|
32215J2/Q |
75 |
130 |
33,25 |
161 |
212 |
24,5 |
3600 |
5000 |
1,70 |
4DC |
75 |
100 |
31 |
27 |
2 |
1,5 |
29 |
85 |
84 |
114 |
122 |
125 |
4 |
6 |
2 |
1,5 |
0,43 |
1,4 |
0,8 |
|
|
32216J2/Q |
80 |
140 |
35,25 |
187 |
245 |
28,5 |
3400 |
4500 |
2,05 |
3EC |
80 |
106 |
33 |
28 |
2,5 |
2 |
30 |
91 |
90 |
122 |
130 |
134 |
5 |
7 |
2 |
2 |
0,43 |
1,4 |
0,8 |
|
|
32217J2/Q |
85 |
150 |
38,5 |
212 |
285 |
33,5 |
3200 |
4300 |
2,60 |
3EC |
85 |
113 |
36 |
30 |
2,5 |
2 |
33 |
97 |
95 |
130 |
140 |
142 |
5 |
8,5 |
2 |
2 |
0,43 |
1,4 |
0,8 |
|
|
32218J2/Q |
90 |
160 |
42,5 |
251 |
340 |
38 |
3000 |
4000 |
3,35 |
3FC |
90 |
121 |
40 |
34 |
2,5 |
2 |
36 |
102 |
101 |
138 |
150 |
152 |
5 |
8,5 |
2 |
2 |
0,43 |
1,4 |
0,8 |
|
|
32219J2 |
95 |
170 |
45,5 |
281 |
390 |
43 |
2800 |
3800 |
4,05 |
3FC |
95 |
128 |
43 |
37 |
3 |
2,5 |
39 |
109 |
107 |
145 |
158 |
161 |
5 |
8,5 |
2,5 |
2 |
0,43 |
1,4 |
0,8 |
|
|
32220J2 |
100 |
180 |
49 |
319 |
440 |
48 |
2600 |
3600 |
4,90 |
3FC |
100 |
135 |
46 |
39 |
3 |
2,5 |
41 |
115 |
112 |
154 |
168 |
171 |
5 |
10 |
2,5 |
2 |
0,43 |
1,4 |
0,8 |
|
|
32221J2 |
105 |
190 |
53 |
358 |
510 |
55 |
2600 |
3400 |
6,00 |
3FC |
105 |
143 |
50 |
43 |
3 |
2,5 |
44 |
120 |
117 |
161 |
178 |
180 |
6 |
10 |
2,5 |
2 |
0,43 |
1,4 |
0,8 |
|
|
32222J2 |
110 |
200 |
56 |
402 |
570 |
61 |
2400 |
3200 |
7,10 |
3FC |
110 |
151 |
53 |
46 |
3 |
2,5 |
46 |
127 |
122 |
170 |
188 |
190 |
6 |
10 |
2,5 |
2 |
0,43 |
1,4 |
0,8 |
|
|
32322 |
110 |
240 |
84,5 |
627 |
830 |
86,5 |
1900 |
2800 |
17,0 |
2GD |
110 |
168 |
80 |
65 |
4 |
3 |
55 |
137 |
125 |
198 |
226 |
222 |
9 |
19,5 |
3 |
2,5 |
0,35 |
1,7 |
0,9 |
|
|
32224J2 |
120 |
215 |
61,5 |
468 |
695 |
72 |
2200 |
3000 |
9,15 |
4FD |
120 |
163 |
58 |
50 |
3 |
2,5 |
51 |
137 |
132 |
181 |
203 |
204 |
7 |
11,5 |
2,5 |
2 |
0,43 |
1,4 |
0,8 |
|
|
32226J2 |
130 |
230 |
67,75 |
550 |
830 |
85 |
2000 |
2800 |
11,5 |
4FD |
130 |
176 |
64 |
54 |
4 |
3 |
56 |
146 |
146 |
193 |
216 |
219 |
7 |
13,5 |
3 |
2,5 |
0,43 |
1,4 |
0,8 |
|
|
32228J2 |
140 |
250 |
71,75 |
644 |
1000 |
100 |
1900 |
2600 |
14,5 |
4FD |
140 |
191 |
68 |
58 |
4 |
3 |
60 |
159 |
156 |
210 |
236 |
238 |
8 |
13,5 |
3 |
2,5 |
0,43 |
1,4 |
0,8 |
|
|
32230J2 |
150 |
270 |
77 |
737 |
1140 |
112 |
1700 |
2400 |
17,5 |
4GD |
150 |
205 |
73 |
60 |
4 |
3 |
64 |
171 |
166 |
226 |
256 |
254 |
8 |
17 |
3 |
2,5 |
0,43 |
1,4 |
0,8 |
|
|
32232J2 |
160 |
290 |
84 |
880 |
1400 |
132 |
1600 |
2200 |
25,5 |
4GD |
160 |
221 |
80 |
67 |
4 |
3 |
70 |
183 |
176 |
242 |
275 |
274 |
10 |
17 |
3 |
2,5 |
0,43 |
1,4 |
0,8 |
|
|
32234J2 |
170 |
310 |
91 |
1010 |
1630 |
150 |
1500 |
2000 |
28,5 |
4GD |
170 |
237 |
86 |
71 |
5 |
4 |
75 |
196 |
190 |
259 |
293 |
294 |
10 |
20 |
4 |
3 |
0,43 |
1,4 |
0,8 |
|
|