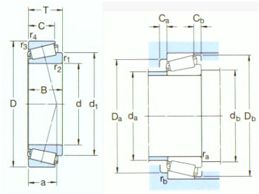
d:
D:
B:
33200 系列

33200 系列

selectInquiry轴承型号尺寸(mm)基本额定载荷(KN) Pu极限速度(rpm) 重量(Kg)ISO335 尺寸(mm) 安装尺寸(mm) 参数
d1DBCrCor速度等级极限速度尺寸 (ABMA)dd1~BCr1,2(min)r3,4(min)ada(max)db(min)Da(min)Da(max)Db(min)Ca(min)Cb(min)ra(max)rb(max)eYYo
33205/Q 25 52 22 54 56 6 10000 13000 0,23 2DE 25 38,6 22 18 1 1 14 30 31 43 46 49 4 4 1 1 0,35 1,7 0,9
33206/Q 30 62 25 75 76,5 8,5 8500 11000 0,37 2DE 30 45,8 25 19,5 1 1 16 36 36 53 56 59 5 5,5 1 1 0,35 1,7 0,9
33208/QCL7C 40 80 32 120 132 15 6300 8500 0,77 2DE 40 59,7 32 25 1,5 1,5 21 47 47 67 73 76 5 7 1,5 1,5 0,35 1,7 0,9
33209/Q 45 85 32 108 143 16,3 5300 7500 0,82 3DE 45 65,2 32 25 1,5 1,5 22 52 52 72 78 81 5 7 1,5 1,5 0,4 1,5 0,8
33210/Q 50 90 32 114 160 18,3 5000 7000 0,90 3DE 50 70,7 32 24,5 1,5 1,5 23 57 57 77 83 87 5 7,5 1,5 1,5 0,4 1,5 0,8
33211/Q 55 100 35 138 190 21,6 4500 6300 1,20 3DE 55 77,6 35 27 2 1,5 25 63 64 85 93 96 6 8 2 1,5 0,4 1,5 0,8
33212/Q 60 110 38 168 236 26,5 4000 6000 1,60 3EE 60 85,3 38 29 2 1,5 27 69 68 93 103 105 6 9 2 1,5 0,4 1,5 0,8
33213/Q 65 120 41 194 270 30,5 3800 5300 2,05 3EE 65 92,1 41 32 2 1,5 29 75 74 102 113 115 6 9 2 1,5 0,4 1,5 0,8
33213TN9/Q 65 120 41 194 270 30,5 3800 5300 2,05 3EE 65 92,1 41 32 2 1,5 29 75 74 102 113 115 6 9 2 1,5 0,4 1,5 0,8
33214/Q 70 125 41 201 285 32,5 3600 5000 2,10 3EE 70 97,2 41 32 2 1,5 30 79 78 107 115 120 6 9 2 1,5 0,4 1,5 0,8
33215/Q 75 130 41 209 300 34 3400 4800 2,25 3EE 75 102 41 31 2 1,5 32 84 84 111 122 125 6 10 2 1,5 0,43 1,4 0,8
33216/Q 80 140 46 251 375 41,5 3200 4500 2,90 3EE 80 110 46 35 2,5 2 35 89 90 119 130 135 7 11 2 2 0,43 1,4 0,8
33217/Q 85 150 49 286 430 48 3000 4300 3,70 3EE 85 117 49 37 2,5 2 37 96 95 128 140 144 7 12 2 2 0,43 1,4 0,8
33219 95 170 58 374 560 62 2600 3800 5,50 3FE 95 132 58 44 3 2,5 42 107 107 144 158 163 9 14 2,5 2 0,40 1,5 0,8
33220 100 180 63 429 655 71 2400 3600 6,95 3FE 100 139 63 48 3 2,5 43 112 112 151 168 172 10 15 2,5 2 0,4 1,5 0,8
30332J2 160 340 75 913 1180 114 1500 2000 29,0 2GB 160 233 68 58 5 4 61 201 180 290 323 310 9 17 4 3 0,35 1,7 0,9