0086-319-3725656
/
3725658
主页
关于我们
公司简介
企业文化
企业荣誉
产品中心
带座轴承
外球面轴承
农机轴承
剖分式轴承座
紧定套
其他轴承
质量中心
原料监控
生产监控
质检监控
实验室
产品寿命测试
研发中心
产品包装
技术中心
安装指南
产品手册
行业应用
新闻中心
公司动态
行业知识
联系我们
首页
>
ok-bearing
>
带座轴承
>
悬挂式带座轴承
> UCFB200 系列
关键词
输入型号
d:
D:
B:
UCFB200 系列
发送询价
PDF
规格和参数
轴承型号 :
UCFB209
轴径
in :
mm :
45
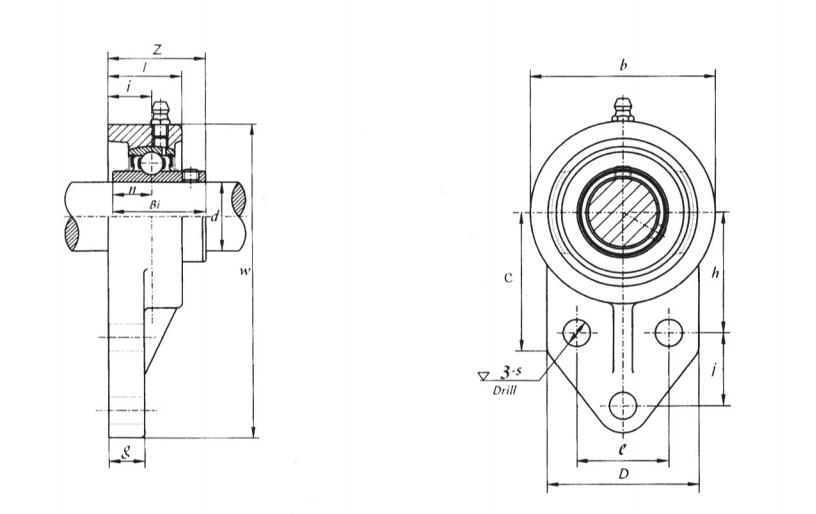
尺寸(mm)
w :
175
b :
106
c :
76
D :
80
l :
38
s :
12
g :
18
h :
65
j :
43
e :
54
i :
22
z :
52.2
Bi :
49.2
n :
19
螺栓尺寸
mm :
M10
in :
3/8
轴承型号 :
UCFB209
轴承座型号 :
FB209
重量(kg) :
2