0086-319-3725656
/
3725658
主页
关于我们
公司简介
企业文化
企业荣誉
产品中心
带座轴承
外球面轴承
农机轴承
剖分式轴承座
紧定套
其他轴承
质量中心
原料监控
生产监控
质检监控
实验室
产品寿命测试
研发中心
产品包装
技术中心
安装指南
产品手册
行业应用
新闻中心
公司动态
行业知识
联系我们
首页
>
ok-bearing
>
带座轴承
>
凸台圆形带座轴承
> UCFC 系列
关键词
输入型号
d:
D:
B:
UCFC 系列
发送询价
PDF
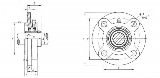
规格和参数
轴承型号 :
UCFC202
轴径
in :
mm :
15
尺寸(mm)
a :
100
p :
78
e :
55.1
i :
10
l :
25.5
s :
12
j :
5
k :
7
g :
20.5
f :
62
z :
28.3
Bi :
31
n :
12.7
螺栓尺寸
mm :
M10
in :
3/8
轴承型号 :
UCFC202
轴承座型号 :
FC202
重量(kg) :
0.69