0086-319-3725656
/
3725658
主页
关于我们
公司简介
企业文化
企业荣誉
产品中心
带座轴承
外球面轴承
农机轴承
剖分式轴承座
紧定套
其他轴承
质量中心
原料监控
生产监控
质检监控
实验室
产品寿命测试
研发中心
产品包装
技术中心
安装指南
产品手册
行业应用
新闻中心
公司动态
行业知识
联系我们
首页
>
ok-bearing
>
带座轴承
>
悬吊式带座轴承
> UCHA200 系列
关键词
输入型号
d:
D:
B:
UCHA200 系列
发送询价
PDF
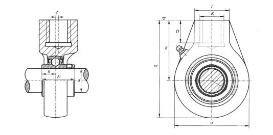
规格和参数
轴承型号 :
UCHA207
轴径(mm)
in :
mm :
35
尺寸(mm)
a :
92
w :
116
c :
0
h :
70
l :
40
D :
19
k :
G3/4
Bi :
42.9
n :
17.5
轴承型号 :
UC207
轴承座型号 :
HA207
重量(kg) :
1.2