0086-319-3725656
/
3725658
主页
关于我们
公司简介
企业文化
企业荣誉
产品中心
带座轴承
外球面轴承
农机轴承
剖分式轴承座
紧定套
其他轴承
质量中心
原料监控
生产监控
质检监控
实验室
产品寿命测试
研发中心
产品包装
技术中心
安装指南
产品手册
行业应用
新闻中心
公司动态
行业知识
联系我们
首页
>
ok-bearing
>
带座轴承
>
滑块带座轴承
> UCST 系列
关键词
输入型号
d:
D:
B:
UCST 系列
发送询价
PDF
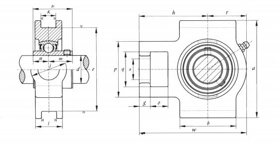
规格和参数
轴承型号 :
UCST207-23
轴径
in :
1 7/16
尺寸(mm)
o :
5/8
g :
1/2
p :
2 17/32
q :
1 15/32
s :
55/64
b :
2 17/32
k :
17/32
e :
3 1/2
a :
4 1/32
w :
5 3/32
j :
1 15/32
l :
1 3/16
h :
3 1/16
Bi :
1.689
n :
0.689
轴承型号 :
UC207-20 207-21 207-22 207-23
轴承座型号 :
ST207
重量(kg) :
3.53