0086-319-3725656
/
3725658
主页
关于我们
公司简介
企业文化
企业荣誉
产品中心
带座轴承
外球面轴承
农机轴承
剖分式轴承座
紧定套
其他轴承
质量中心
原料监控
生产监控
质检监控
实验室
产品寿命测试
研发中心
产品包装
技术中心
安装指南
产品手册
行业应用
新闻中心
公司动态
行业知识
联系我们
首页
>
ok-bearing
>
带座轴承
>
滑块带座轴承
> UCT200 系列
关键词
输入型号
d:
D:
B:
UCT200 系列
发送询价
PDF
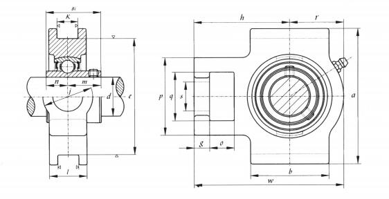
规格和参数
轴承型号 :
UCT202
轴径
in :
15
尺寸(mm)
o :
16
g :
10
p :
51
q :
32
s :
19
b :
51
k :
12
e :
76
a :
89
w :
94
j :
32
l :
21
h :
61
Bi :
31
n :
12.7
轴承型号 :
UC202
轴承座型号 :
T204
重量(kg) :
0.73