0086-319-3725656
/
3725658
HOME
ABOUT US
COMPANY PROFILE
CORPORATE CULTURE
COMPANY HONOR
PRODUCTS
BEARING UNITS
INSERT BEARINGS
AGRICULTURAL BEARINGS
PLUMMER BLOCKS
ADAPTER SLEEVES
OTHER BEARINGS
QUALITY CONTROL
RAW MATERIAL CONTROL
PRODUCTION CONTROL
PRODUCTS INSPECTION
LABORATORY
LIFE TESTING
R&D CENTER
PRODUCT PACKAGING
TECHNICAL SUPPORT
INSTALLATION GUIDE
CATALOGUES
APPLICATION
NEWS
COMPANY NEWS
INDUSTRY NEWS
BEARING KNOWLEDGE
CONTACT US
Home
>
ok-bearing
>
BEARING UNITS
>
Falnge Cartridge Units
> UCFC Series
By Keyword
By Part Number
d:
D:
B:
UCFC Series
Send Inquiry
PDF
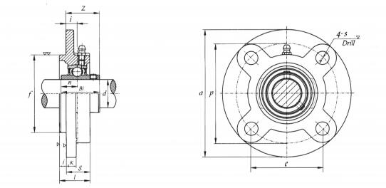
Dimension and Parameters
Bearing Unit No. :
UCFX206
Shaft Dia(mm)
in :
mm :
30
Dimensions(mm)
a :
125
p :
100
e :
70.7
i :
10
l :
31
s :
12
j :
8
k :
8
g :
23
f :
80
z :
32.2
Bi :
38.1
n :
15.9
Bolt Dimensions
mm :
M10
in :
3/8
Bearing No. :
UCFX206
Housing No. :
FC206
Weight(kg) :
1.21