0086-319-3725656
/
3725658
HOME
ABOUT US
COMPANY PROFILE
CORPORATE CULTURE
COMPANY HONOR
PRODUCTS
BEARING UNITS
INSERT BEARINGS
AGRICULTURAL BEARINGS
PLUMMER BLOCKS
ADAPTER SLEEVES
OTHER BEARINGS
QUALITY CONTROL
RAW MATERIAL CONTROL
PRODUCTION CONTROL
PRODUCTS INSPECTION
LABORATORY
LIFE TESTING
R&D CENTER
PRODUCT PACKAGING
TECHNICAL SUPPORT
INSTALLATION GUIDE
CATALOGUES
APPLICATION
NEWS
COMPANY NEWS
INDUSTRY NEWS
BEARING KNOWLEDGE
CONTACT US
Home
>
ok-bearing
>
BEARING UNITS
>
Screw Conveyor Hanger Units
> UCHA200 Series
By Keyword
By Part Number
d:
D:
B:
UCHA200 Series
Send Inquiry
PDF
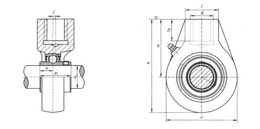
Dimension and Parameters
Bearing Unit No. :
UCHA208
Shaft Dia(mm)
in :
mm :
40
Dimensions(mm)
a :
96
w :
121
c :
2
h :
73
l :
40
D :
19
k :
G3/4
Bi :
49.2
n :
19
Bearing No. :
UC208
Housing No. :
HA208
Weight(kg) :
1.3